红外光谱是油品应用研究的有效工具之一,它不仅能对基础油和添加剂进行鉴定,而且还可以揭示油品在使用过程中生成的各种氧化产物,添加剂降解产物及其它污染物等,通过红外光谱测定这些物质的变化,使其与油品使用性能相关联,可以达到监控在用油品质量的目的...
红外光谱是油品应用研究的有效工具之一,它不仅能对基础油和添加剂进行鉴定,而且还可以揭示油品在使用过程中生成的各种氧化产物,添加剂降解产物及其它污染物等,通过红外光谱测定这些物质的变化,使其与油品使用性能相关联,可以达到监控在用油品质量的目的[1][2][3] 。
本工作就是用红外光谱分析测试方法对北京润华源天生物科技有限公司的以生物合成酯类油等为基础油的源天1号5W-30 SN级汽油机油在行车试验中油品的衰变规律进行研究,以期全面考察其油品质量水平。
1、 实验部分
1.1样品
行车实验油品为北京润华源天生物科技有限公司在完全自主知识产权,自主创新(已获得两项国家发明专利),采用生物催化和RTL技术生产的源天1号5W-30 SN级汽油机油,用该油品在丰田凯美瑞2.0G车辆上进行21000公里的行车试验,实验过程中分别取5000、9000、12000、15000、18000、21000等不同公里数7个油样,其中包括源天1号5W-30 SN新油样。
1.2仪器
该项红外光谱分析是委托上海市金山区化学SGS检测机构进行的,仪器为PTX-75S付立叶变换红外。进行试油样红外光谱分析测试时需固定液层厚度,液层厚度为0.12mm。测试结果列于附图-1~附图-11。同时委托了中石油兰州润滑油研究开发中心石油产品和润滑剂检测站对试油的理化性质进行了测试,试验结果列于附表-1。
1.3试验车辆
试验所用车辆为重庆达至租赁有限公司所属滴滴车辆,车型为丰田凯美瑞2.0G,试车牌号为渝D.W2235和渝D.E5580。行车试验时,两辆车的起始公里数分别为22808公里和40351公里。
2、结果与讨论
试油所做全部红外光谱图均为波数在500cm-1~2000 cm-1范围内的放大图,分别列于附图-1~附图-11。
2.1 抗氧抗腐剂ZDDP红外特征峰的变化
据文献报导:二烷基二硫代磷酸锌抗氧抗腐剂(以下简称ZDDP)的红外光谱特征峰是波数为667㎝-1 p=s键和波数为968㎝-1 p-o-c键,其分解产物的特征峰是波数为813㎝-1以及1070㎝-1,根据红外谱图测算,有关数据列于表-1和图-1。
*注1参加该工作人员:王彦、门方培、窦伟娇等
表-1 源天1号试油使用过程中ZDDP红外特征的变化

注:*源天I-1是试车渝D.W2235的试油代号,该车因故只进行了15000公里行车试验,源天I-2是试车渝D.E5580的试油代号。

表-1和图-1所列数据表明,随着试车行驶公里数的增加,试油中ZDDP呈下降趋势,其分解产物则呈增加趋势(ZDDP的作用机理就是分解剂兼自由基终止剂作用),但9000公里后其变化趋于平缓;保持了一定的抗氧剂分解产物。这充分说明:一方面ZDDP作用的发挥是通过本身分解才得以实现的,ZDDP中间产物(1078㎝-1)有良好的抗氧抗磨作用,以致于油品继续使用时不至于迅速的被深度氧化,另一方面之所以行驶21000公里还保持一定的ZDDP分解产物,还由于试油复合添加剂中含有助抗氧剂,以致行车试验进行至21000公里时,仍可阻止ZDDP分解产物和基础油的被进一步继续深度氧化。这种变化趋势亦可从试油行驶过程中试油理化性质的变化趋势得以映证(见附表-1)。
从表-1和图-1还可看出,源天I-1和源天I-2虽然A996cm-1和A1078 cm-1数值因车辆起始状态不一略有不同,但两车试油水平相当,其变化趋势是一致的。
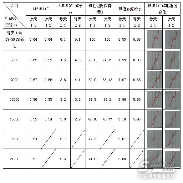
2.2清净剂磺酸盐红外光谱特征的变化
清净剂硫酸盐的红外特征峰是波数为1515㎝-1,其行驶至21000公里过程中试油的红外特征变化列于表-2和图-2

由表-2和图-2可见,随着试车行驶公里数的增加,波数为1515㎝-1处的吸收峰强度不断降低,这说明清净剂磺酸盐在不断中和试油的酸性氧化产物,当试车行驶到12000公里时磺酸盐几乎耗近一半,行车到21000公里时,试油中仍保留有40%以上的磺酸盐。当然这也得益于试油复合添加剂中还有一重要的组分-聚异丁烯丁二酰亚胺无灰清净分散剂的同时存在。这一实验结果也得到了试油行驶过程中试样的碱值变化趋势的印证,试车行驶至21000公里时试油的碱值仍有5.88mgKOH/g.
从表-2和图-2中还可看出,两辆试车行驶过程中,试油有关清净剂磺酸盐红外特征的变化以及试油碱性组份保有量和碱值的水平相当,其变化趋势是完全一致的。
表-2 清净剂磺酸盐行驶过程中红外特征变化

在用油抑氧水平是用A1600㎝-1/A1720㎝-1来表征的,波数为1600㎝-1吸收峰是起始氧化物红外特征峰,波数为1720㎝-1吸收峰是羧基化合物的中间氧化生成物红外特征峰,该数值相对来说越大说明抑氧能力越高,即起始氧化物未能进一步被氧化成羧基化合物的中间氧化生成物,氧化往深度进行受到抑制,试油不同行驶公里数的抑氧水平数据列于表-3和图-3.
表-3试油在行驶过程中抑氧能力的变化
| 行驶公里数km | A1600㎝-1 | A1720㎝-1 | *抑氧水平A1600㎝-1/A1720㎝-1 | |||
| I-1 | I-2 | I-1 | I-2 | I-1 | I-2 | |
| 5000 | 0.32 | 0.33 | 3.04 | 3.02 | 0.105 | 0.109 |
| 9000 | 0.35 | 0.37 | 3.06 | 3.02 | 0.114 | 0.123 |
| 12000 | 0.35 | 0.38 | 3.03 | 3.04 | 0.115 | 0.125 |
| 15000 | 0.37 | 0.38 | 3.06 | 3.04 | 0.120 | 0.125 |
| 18000 | 0.38 | 3.32 | 0.114 | |||
| 21000 | 0.39 | 3.28 | 0.119 | |||
表-3和图-3所列数据表明,试油随着行驶公里数的增加,抑氧水平不降反升,且在行驶至9000公里后变化趋于平缓,15000公里后抑氧水平虽有所下降,但至21000公里试油仍保有一定的抑氧能力。这主要得益于生物合成酯类基础油有优越的热氧化安定性和润滑性[4][5] ,同时试油复合添加剂中助抗氧剂与ZDDP的协合效应充分发挥了作用,抑制了ZDDP分解产物和基础油被进一步深度氧化,即使在试油行驶至21000公里仍保持了一定的抑氧能力。

由表-3和图-3还可见,在行驶过程中两辆车试油的抑氧水平相当,其变化趋势也是完全一致的。
3、结论与展望
综上所述,由北京润华源天生物科技有限公司生产的生物合成酯全合成汽油机油-源天1号5W-30 SN级试油经21000公里行驶后,由于生物合成酯类基础油具有优越的热氧化安定性和润滑性,使之试油仍保有一定量的清净剂和抗氧组份(ZDDP分解产物和助抗氧剂),因此即使试油已行驶了21000公里,试油还具有一定的清净分散性、酸中和以及抗氧抗磨能力,其试油的抑氧能力也足以阻止试油进一步被深度氧化。显而易见,源天1号5W-30 SN级汽油机油的換油期应在20000公里以上。
生物合成酯类油在高温热氧化安定性、润滑性以及低温流动性等一系列性能上的优越性,同时还兼具极佳的生物可降解性,标志着我国在采用生物法替代化学法制备酯类油上取得了重大的突破,达到国际领先水平。打破了西方国家在该领域的垄断地位,填补了国家空白。“绿色原料、绿色工艺、绿色产品”打造绿色的世界。在没有“三废”排放的条件下生产出了高品质、高性能、高环保的产品。
目前,我国润滑油结构不合理,中低端油充实市场。不仅阻碍了制造业的发展,大大缩短了机械设备的使用寿命。而且中、低端润滑油90%以上不可以生物降解,对环境造成无可挽回的破坏。随着我国工业装备技术水平的不断提高和环保的迫切要求,急需解决环境友好型高端润滑油的研发和生产。提高润滑油品的升级换代,将对我国经济供给侧结构性改革起到积极的推动作用。
我们有理由相信,随着世界上首套生物合成酯类油工业装置在北京润华源天生物科技有限公司正式投产,势必推动我国高档润滑油的发展开创崭新的一页,定将更好的满足我国日新月异的高精尖科学技术和国防建设发展的需要。
参考文献
[1]王丹。红外光谱法研究机油衰变规律《铁道机车与动车》1988(9)15~17
[2]彭朴,孙殿卿,范航菊。用核磁共振磷谱法和红外差谱法研究汽油机油及其复合添加剂的衰变规律《石油学报与石油加工》1999
[3]张立军。用红外光谱法研究内燃机油衰变规律《黑龙江石油化工》1997年01期
[4]彭显才。有机酯类润滑油基础油的性能与应用《化工时刊》第30卷第7期2016年7月
附图-1~附图-11及附表1见后。




附表-1 源天1号试油行车试验中酸值和碱值的变化
| 样品编号 | 行驶公里数/km | 酸值/(mgKOH/g) | 碱值/(mgKOH/g) | (碱值-酸值)(以KOH计)/(mg/g) | 酸值(以KOH计)/(mg/g)增加值 |
| Ⅰ-5-1 | 0 | 1.66 | 8.40 | 6.74 | 0 |
| Ⅰ-5-2 | 5000 | 2.10 | 8.18 | 6.08 | 0.44 |
| Ⅰ-5-3 | 9000 | 2.70 | 7.42 | 4.72 | 1.04 |
| Ⅰ-5-4 | 12000 | 2.83 | 6.58 | 3.75 | 1.17 |
| Ⅰ-5-5 | 15000 | 3.14 | 6.12 | 2.98 | 1.48 |
| Ⅰ-5-6 | 18000 | 3.30 | 5.82 | 2.52 | 1.64 |
| Ⅰ-5-7 | 21000 | 3.66 | 5.45 | 1.79 | 2.00 |
| 注:依据GB/T 8028-2010汽油机油换油指标的技术要求见(1)和(2), (1)(碱值-酸值)(以KOH计)/(mg/g) <0.5; (2) 酸值(以KOH计)/(mg/g)增加值 >2.0。 |
|||||
文章作者:赵仲东(北京润华源天生物科技有限公司 高级顾问 技术总监)


发表评论
最新评论